Turn Signal Flasher Location - 05 Xl 7 Flasher Location Suzuki Forums - And i also have led lights in the back that include turn signals.. The electronic flasher generates an audible clicking sound that imitates the older mechanical units to remind the driver that. The flasher is mounted to the dash support under the steering column. When the turn signal switch is on it flashes faster both front and rear lights. A defective turn signal relay in the ram 2500 can cause your signals to malfunction or stop working entirely. Someone correct me if i'm wrong,again!some say the hazard/turn flasher is in the panel at the end of the dash (drivers side),door opened.don't know what year they if/changed to this.if they did this,then you can't use led's!.

Hi, welcome to the getjeeping channel. 2011 silverado 1500 turn signal relay location. I have a question regarding to this topic. I looked in the fuse box on the passenger side, not there. Sent from my iphone using tapatalk re:

Location Of Signal Hazard Flasher Relay In 75 450sl Mercedes Benz Forum
Location Of Signal Hazard Flasher Relay In 75 450sl Mercedes Benz Forum from www.benzworld.org
The electronic flasher generates an audible clicking sound that imitates the older mechanical units to remind the driver that. Then you have to remove what you need to carefully to get to it. You should hear it above your parking brake pedal, to the left of the main ecu. Check out the diagram (below) please let us know if you need anything else to get the problem fixed. The number with trailer option is 25746427 and runs about $85 list at gm. And i also have led lights in the back that include turn signals. Discussion starter • #1 • jan 1, 2013. You need to wire in resistors.

When i use my turn signal they blink fast.

The flasher is mounted to the dash support under the steering column. Looked in the fuse box under the hood, not there. My turn signals flash too fast. Now, does anyone know where the flasher is on a 2011 model. You can find and replace. I have a question regarding to this topic. Find our best fitting turn signal flashers for your vehicle and enjoy free next day delivery or same day pickup at a store near you! If the current draw is in the expected range, a solid state timing mechanism and a transistor turn power on and off to the turn signal bulbs. Hope you enjoy the video!our website: It wasnt until 2001 that they made it part of the switch in the steering column area Where the heck is the turn signal/hazard flasher? The number with trailer option is 25746427 and runs about $85 list at gm. Its under the drivers area near the gas pedal.they replaced mine.i dont know the exact location though re:

Now turn on your hazards and listen for the clicking. Also yes the sound goes they the radio and speakers. You can turn it on, and then look under your dash with a flashlight and see where the clicking sound is coming from. Hi, welcome to the getjeeping channel. Looked in the fuse box under the hood, not there.

W0002507 Flasher Asm Turn Signal Hazard 25 Amps Workhorse Parts
W0002507 Flasher Asm Turn Signal Hazard 25 Amps Workhorse Parts from www.ultrarvproducts.com
I have a question regarding to this topic. I tried looking under the dash, i didnt see anything but i could. I checked the bulb and it works. Nov 23, 2019 #1 i have a 1973 scout ii and cannot find the turn signal flasher relay. Then you have to remove what you need to carefully to get to it. Replacing the turn signal relay. I installed led turn signals and im getting hyper flash in the front and both flash in the rear at the same time. Locate the turn signal relay.

You should hear it above your parking brake pedal, to the left of the main ecu.

Its under the drivers area near the gas pedal.they replaced mine.i dont know the exact location though re: You can find and replace. I installed led turn signals and im getting hyper flash in the front and both flash in the rear at the same time. My bulbs are perfect, but they start out flashing fast, then slow down then they will completely all most stop after setting at a red light for a long period of time. If the current draw is in the expected range, a solid state timing mechanism and a transistor turn power on and off to the turn signal bulbs. Now turn on your hazards and listen for the clicking. Then you have to remove what you need to carefully to get to it. You should hear it above your parking brake pedal, to the left of the main ecu. 20% off orders over $125* + free ground shipping**. However, the most common cause of relay damage is attributable to an electrical fault in a relative location, such as the taillight assembly. A defective turn signal relay in the ram 2500 can cause your signals to malfunction or stop working entirely. Also yes the sound goes they the radio and speakers. Someone correct me if i'm wrong,again!some say the hazard/turn flasher is in the panel at the end of the dash (drivers side),door opened.don't know what year they if/changed to this.if they did this,then you can't use led's!.

The turn signal flasher is very easy to change and they can be purchased from many auto parts shops. A defective turn signal relay in the ram 2500 can cause your signals to malfunction or stop working entirely. The electronic flasher generates an audible clicking sound that imitates the older mechanical units to remind the driver that. However, the most common cause of relay damage is attributable to an electrical fault in a relative location, such as the taillight assembly. If clicking stops then replace or disassemble switch to clean contacts.

Turn Signal Flasher Relay Location Ford Truck Enthusiasts Forums
Turn Signal Flasher Relay Location Ford Truck Enthusiasts Forums from cimg7.ibsrv.net
My turn signals flash too fast. Find our best fitting turn signal flashers for your vehicle and enjoy free next day delivery or same day pickup at a store near you! Start date nov 23, 2019; A common problem is the flasher timer will click like the turn signals are on but the turn lever is in the neutral position. My left side turn signal blinks fast while the other turn signals work fine. The flasher is mounted to the dash support under the steering column. Also yes the sound goes they the radio and speakers. If you put your hand on the correct black box you will feel it.

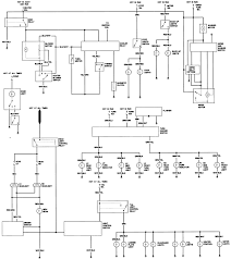
Check out the diagram (below) please let us know if you need anything else to get the problem fixed.

Find our best fitting turn signal flashers for your vehicle and enjoy free next day delivery or same day pickup at a store near you! Remove the 4 wire connector on top of switch. I know where the hazard relay is (above the fuse box) and i have read that the turn signal relay is behind the oil and temp gauge but opened that up and. However, the most common cause of relay damage is attributable to an electrical fault in a relative location, such as the taillight assembly. If your flasher still works somewhat. Now turn on your hazards and listen for the clicking. My bulbs are perfect, but they start out flashing fast, then slow down then they will completely all most stop after setting at a red light for a long period of time. Someone correct me if i'm wrong,again!some say the hazard/turn flasher is in the panel at the end of the dash (drivers side),door opened.don't know what year they if/changed to this.if they did this,then you can't use led's!. A common problem is the flasher timer will click like the turn signals are on but the turn lever is in the neutral position. When i use my turn signal they blink fast. Where the heck is the turn signal/hazard flasher? I tried looking under the dash, i didnt see anything but i could. Would that be a bad relay?

By