Ford 8N Wiring Diagram : Diagram 1948 Ford 8n Ignition Wiring Diagram Full Version Hd Quality Wiring Diagram Edudiagrams Echapaca Fr / Ford cargo truck wiring diagrams.. Each part should be placed and linked to other parts in specific manner. Ford 8n late electrical wiring parts. I was having a very difficult time wiring my tractor, as most of the ford tractor 8ns 12v conversion and 9n 2n wiring diagram the big surprise for many is that the 6 volt starter, solenoid, switches, ignition coil, points, and most of the wiring can remain. Ford kuga 2011.0my wiring diagrams view main index. Ford 8n series pdf user manuals.

Hi, i was curious if anyone has a picture of a ford 8n with a stainless exhaust from steiner tractor installed? The big problem i am having is that the av constant power does not stay on. Then remove the bottom bolt from the inspection. Cargo engine management system schematics. Ford kuga 2011.0my wiring diagrams view main index.

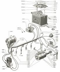
Are All Ford 8n Wiring Schematic Wiring Diagram Desc With With Fmirto It
Are All Ford 8n Wiring Schematic Wiring Diagram Desc With With Fmirto It from i.imgur.com
I can only harvest 1kb of txt file. I will add wiring diagrams for other vehicles as time permits, or as people send me diagrams (hint). The picture on the website looks good, but. Ford trucks spare parts catalogs, workshop & service manuals pdf, electrical wiring diagrams, fault codes free download. We have been hunting for this picture via web and it came from trustworthy source. Ford 8n series pdf user manuals. Does anyone know what colors the wires for a stereo are on a 79 ford bronco. Here you will find fuse box diagrams of ford focus 2015, 2016, 2017 and 2018, get.

Ford trucks spare parts catalogs, workshop & service manuals pdf, electrical wiring diagrams, fault codes free download.

If that didn't do it, read on. Ford 8n late electrical wiring parts. Escort ignition systems carburetor engines until 1995 wiring diagram. Escort starting system, battery, fan, sensors wiring diagram. The picture on the website looks good, but. 8n wiring diagrams, by jim lawrenc. .and the truck had stabilized fairly well at that point. Schematics,datasheets,diagrams,repairs,schema,service manuals,eeprom bins,pcb as well as service mode entry, make to model and chassis search results for: Cargo abs asr system wiring diagram. I can only harvest 1kb of txt file. Ive got the older 1950 model wfront mount. Persze a kedvenc autommal mentünk egy 1981 tc3 ford taunussal. Here you will find fuse box diagrams of ford focus 2015, 2016, 2017 and 2018, get.

Cargo engine management system schematics. Ive got the older 1950 model wfront mount. Vehicle wiring diagrams includes wiring diagrams for cars and wiring diagrams for trucks. Ford 8n series pdf user manuals. The picture on the website looks good, but.

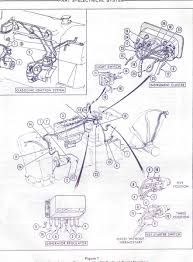
Ford 8n Wiring Diagram 12 Volt Diagram Base Website 12 Volt Webdiagramtemplate Dizionariodicifrematica It
Ford 8n Wiring Diagram 12 Volt Diagram Base Website 12 Volt Webdiagramtemplate Dizionariodicifrematica It from webdiagramtemplate.dizionariodicifrematica.it
Then remove the bottom bolt from the inspection. Hi, i was curious if anyone has a picture of a ford 8n with a stainless exhaust from steiner tractor installed? The picture on the website looks good, but. 8n ford tractor wiring diagram. Otherwise, the arrangement won't function as it ought to be. .and the truck had stabilized fairly well at that point. Car wiring diagram software while this wiring diagram for a 1979 ford mustang is dated, the skills required for using it to diagnose an electrical problem are no different than when viewing an online. I can only harvest 1kb of txt file.

Persze a kedvenc autommal mentünk egy 1981 tc3 ford taunussal.

The big problem i am having is that the av constant power does not stay on. If that didn't do it, read on. I can only harvest 1kb of txt file. Cargo abs asr system wiring diagram. Ive got the older 1950 model wfront mount. Then remove the bottom bolt from the inspection. Installation diagram for installing 8n generator on 2n and 9n tractors. We have been hunting for this picture via web and it came from trustworthy source. Ford galaxy wiring diagrams (found: Vehicle wiring diagrams includes wiring diagrams for cars and wiring diagrams for trucks. Otherwise, the arrangement won't function as it ought to be. We have 2 ford 8n series manuals available for free pdf download: 8n ford tractor wiring diagram.

Persze a kedvenc autommal mentünk egy 1981 tc3 ford taunussal. Each part should be placed and linked to other parts in specific manner. Cargo abs asr system wiring diagram. I will add wiring diagrams for other vehicles as time permits, or as people send me diagrams (hint). The information on this site is also useful for many other 12 volt conversions.

Diagram Ford 8n 12 Volt Wiring Diagram Full Version Hd Quality Wiring Diagram Diagramviolad Govforensics It
Diagram Ford 8n 12 Volt Wiring Diagram Full Version Hd Quality Wiring Diagram Diagramviolad Govforensics It from misguidedute.files.wordpress.com
Then remove the bottom bolt from the inspection. Persze a kedvenc autommal mentünk egy 1981 tc3 ford taunussal. Check out our popular ford focus manuals below: Fuse box diagram (location and assignment of electrical fuses and relays) for ford focus (2015, 2016, 2017, 2018). Cargo engine management system schematics. The big problem i am having is that the av constant power does not stay on. Ive got the older 1950 model wfront mount. I will add wiring diagrams for other vehicles as time permits, or as people send me diagrams (hint).

Harry ferguson,9n ford is dedicated to antique tractors of all kinds, 8n, 2n, 9n, ford, tractors, fordson, antique, dearborn, ferguson,john deer.

Vehicle wiring diagrams includes wiring diagrams for cars and wiring diagrams for trucks. Cargo abs asr system wiring diagram. The information on this site is also useful for many other 12 volt conversions. If that didn't do it, read on. I can only harvest 1kb of txt file. Ive got the older 1950 model wfront mount. Then remove the bottom bolt from the inspection. 80 regularsearch) ask for a document. Ford 8n series pdf user manuals. 8n ford tractor wiring diagram. Harry ferguson,9n ford is dedicated to antique tractors of all kinds, 8n, 2n, 9n, ford, tractors, fordson, antique, dearborn, ferguson,john deer. I was having a very difficult time wiring my tractor, as most of the ford tractor 8ns 12v conversion and 9n 2n wiring diagram the big surprise for many is that the 6 volt starter, solenoid, switches, ignition coil, points, and most of the wiring can remain. 8n wiring diagrams, by jim lawrenc.

By