Home › Unlabelled ›
2001 Nissan Sentra Fuse Box Diagram : 2001 Sentra Fuse Diagram Wiring Diagram Save Product New A Product New A Citisceramiche It / Download free nissan sentra nissan sentra 2001 workshop manual from manuals.co or send it immediately straight to your email!
2001 Nissan Sentra Fuse Box Diagram : 2001 Sentra Fuse Diagram Wiring Diagram Save Product New A Product New A Citisceramiche It / Download free nissan sentra nissan sentra 2001 workshop manual from manuals.co or send it immediately straight to your email!. 1997nissan sentra fuse box map. 2000, 2001, 2002, 2003, 2004, 2005, 2006). Lift the fuse box cover straight off and turn it over to view the fuse location diagram. Each car has different levels of trim and features. I checked under the drivers seat help please.
I would appreciate a link or just what is not working on your sentra? My fuse box looks the same as yours. Nissan sentra relay identitication and location. 2001 nissan altima fuse box | fuse box and wiring diagram. 300zx nissan 350z nissan altima nissan armada nissan cube nissan frontier nissan maxima nissan murano nissan pathfinder nissan pickup nissan quest nissan rogue nissan sentra nissan titan nissan versa nissan xterra.
Nissan Sentra Spec V 2002 Fuse Box Block Circuit Breaker Diagram Carfusebox from www.carfusebox.com This midsize chassis is still being sold today. Some components may have multiple. My fuse box looks the same as yours. If the fuse is open, replace it with a known good fuse. Download free nissan sentra nissan sentra 2001 workshop manual from manuals.co or send it immediately straight to your email! Assortment boxes of replacement fuses in a variety of amperage ratings (e.g. Each car has different levels of trim and features. 1997nissan sentra fuse box map.
I would appreciate a link or just what is not working on your sentra?
Early models were equipped with inline 4 cylinder engines and later models had an optional v6 available. 300zx nissan 350z nissan altima nissan armada nissan cube nissan frontier nissan maxima nissan murano nissan pathfinder nissan pickup nissan quest nissan rogue nissan sentra nissan titan nissan versa nissan xterra. I checked under the drivers seat help please. This webpage contains nissan sentra 2001 workshop manual pdf used by nissan garages, auto repair shops, nissan dealerships and home mechanics. Just the diagram not the coin tray, obviously! Not all the fuse locations have fuses. The interior fuse box is located underneath the steering column. Download free nissan sentra nissan sentra 2001 workshop manual from manuals.co or send it immediately straight to your email! 2000, 2001, 2002, 2003, 2004, 2005, 2006). The nissan altima is the middle tier sedan model, placed between the sentra and maxima. 2000, 2001, 2002, 2003, 2004, 2005, 2006). I found a pdf of the owners manual which i don't have either, but nothing there. 1997nissan sentra fuse box diagram.
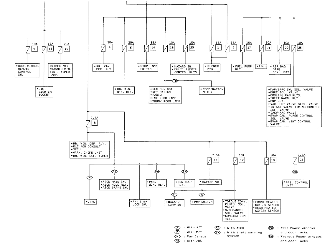
One under the hood by battery, not always easy to open. I checked under the drivers seat help please. Intermitten wiper, sunroof relay, ecm control module, rear window defogger, daytime light control unit, anti lock brake, ascd hold relay, blower relay, ignition relay, power window relay. 43, located in the fuse and fusible link box.) Fuse box diagram , delta table saw switch wiring diagram , modified guitar wiring diagram , fire alarm addressable system wiring diagram , caterpillar c 15 fuel injector wiring diagram , honda mini tiller engine diagram , 2005 pontiac montana nissan sentra parts diagram2019 nissan sentra fuse box.
2001 Nissan Sentra Radio Wiring Wiring Diagram Book Road Will Road Will Prolocoisoletremiti It from www.justanswer.com Intermitten wiper, sunroof relay, ecm control module, rear window defogger, daytime light control unit, anti lock brake, ascd hold relay, blower relay, ignition relay, power window relay. 5, 10, 15, 20, 25 amps) can be purchased at. I found a pdf of the owners manual which i don't have either, but nothing there. 2012 nissan sentra fuse box diagram for wiring schemes x trail 2002 in qashqai altima sedan oem parts usa estore 2006 350z 100 problem with running power su. Size/amp fuses they say to. 800 x 600 jpeg 193 кб. Here you will find fuse box diagrams of nissan sentra. 1997nissan sentra fuse box map.
If your sentra has many options like a sunroof, navigation, heated seats, etc, the more fuses it has.
1997nissan sentra fuse box map. 2000, 2001, 2002, 2003, 2004, 2005, 2006). Fuse box diagram , delta table saw switch wiring diagram , modified guitar wiring diagram , fire alarm addressable system wiring diagram , caterpillar c 15 fuel injector wiring diagram , honda mini tiller engine diagram , 2005 pontiac montana nissan sentra parts diagram2019 nissan sentra fuse box. I need a fuse diagram and location for a 2002 nissan sentra. Problem with fuel filter how do i change the fuel filter on my 2001 nissan sentra gxe, and where is it. I found a pdf of the owners manual which i don't have either, but nothing there. The nissan altima is the middle tier sedan model, placed between the sentra and maxima. Lift the fuse box cover straight off and turn it over to view the fuse location diagram. Some components may have multiple. One under the hood by battery, not always easy to open. Download free nissan sentra nissan sentra 2001 workshop manual from manuals.co or send it immediately straight to your email! There are 2 fuse panel on the sentras. If your sentra has many options like a sunroof, navigation, heated seats, etc, the more fuses it has.
Just the diagram not the coin tray, obviously! Download free nissan sentra nissan sentra 2001 workshop manual from manuals.co or send it immediately straight to your email! This midsize chassis is still being sold today. The interior fuse box is located underneath the steering column. Some components may have multiple.
2005 Nissan Sentra Fuse Box Diagram Wiring Diagram Crop Data C Crop Data C Disnar It from i.ebayimg.com There are 2 fuse panel on the sentras. My fuse box looks the same as yours. I need a fuse diagram and location for a 2002 nissan sentra. Lift the fuse box cover straight off and turn it over to view the fuse location diagram. 2012 nissan sentra fuse box diagram for wiring schemes x trail 2002 in qashqai altima sedan oem parts usa estore 2006 350z 100 problem with running power su. 2001 nissan altima fuse box | fuse box and wiring diagram. 43, located in the fuse and fusible link box.) Some components may have multiple.
If your sentra has many options like a sunroof, navigation, heated seats, etc, the more fuses it has.
2000, 2001, 2002, 2003, 2004, 2005, 2006). Fuse box diagram (location and assignment of electrical fuses and relays) for nissan sentra (b15; Come join the discussion about performance, modifications, troubleshooting, turbo upgrades, maintenance, and. The nissan altima is the middle tier sedan model, placed between the sentra and maxima. I need a fuse diagram and location for a 2002 nissan sentra. If the fuse is open, replace it with a known good fuse. Power is supplied at all times to front fog lamp relay terminal 5 through: This is all i could find,the fusebox locations and fuse location #, but nothing about which fuse is which, i hope this will location of tcm in nissan sentra 2001 module transmitting control module not communicating with ecm. Each car has different levels of trim and features. 2001 nissan altima fuse box | fuse box and wiring diagram. I got a nissan sentra 2001 as well, diagnosed as broken ecu, where can i find the ecu? This 2012 sentra s is equipped with the newer style of low profile mini blade fuses. 2012 nissan sentra fuse box diagram for wiring schemes x trail 2002 in qashqai altima sedan oem parts usa estore 2006 350z 100 problem with running power su.